Arena Winches

 

The catastrophic flood that hit the Houston, TX area in the Spring of 2001destroyed the Alley's Arena Stage and all of its production support areas.

Following a thorough recovery, the new basement level theatre still had little overhead space and no provision for flying scenery. The Alley's technical director, Chris Zinkon, has designed a series of small spotline winches that my be placed in the theatre's catwalks for multipurpose use.

I was asked to develop the control system for these winches and to train the Alley staff in its use.

The goals for this project are to:

  1. Develop a PC-based control system for up to four of the one-horsepower winches.
  2. Utilize the theatre's existing investment in control technology.
  3. Design an affordable interface and drive cabinet for each of the winches.
     

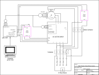
The drive cabinet, as constructed by the Alley shop (right), and  shown in the schematic (at left), supports both computer controlled and the Alley's existing analog controllers.

 

bulletThe prototype winch and controller was adapted for testing in the Alley's Spring 2002 production of Invention of Love. This production required a motorized roll drop, so the winch was fitted with a roller chain drive as below.

 

bulletThis production required only a single axis of motion, so the custom panel below supplied the operator interface.

 

[Home] [Up] [Cabinet View] [Interface] [Cabinet Schematic]

© Fritz Schwentker -- 26 August 2004